
前置頂液壓油缸(帶外套筒) TG162系列(輕量化系列)
液壓缸六大優勢:
Ø 更安全!
佳恒輕量化系列油缸采用優異的結構設計和新材料應用,經受最惡劣工況持續穩定工作不脫節,確保駕駛人員和車輛安全,為用戶創造最有價值的安全保證!
Ø 更快的卸貨速度
佳恒輕量化系列油缸采用優異的結構設計,提升油缸卸貨速度!
Ø 更高的舉升頻次
佳恒輕量化系列油缸適應于全天候短駁高頻次作業,性能穩定,故障率極低,增加轉運次數,降低停車時間!
Ø 更強的環境適應能力
佳恒輕量化系列油缸采用創新密封專利技術及新材料應用,可適應-40~110℃溫度范圍,高溫和低溫環境作業可保證極好的使用性能!
Ø 更輕盈
佳恒輕量化系列油缸較其他同系列產品自重降低15%~20%,舉升力提升10%~15%!
Ø 更大的舉升力
佳恒輕量化系列油缸較其他同系列產品舉升力提升10%~15%。更大的舉升力,更多裝載帶來更多收益!更輕的自重,更大的舉升力,更顯輕盈!
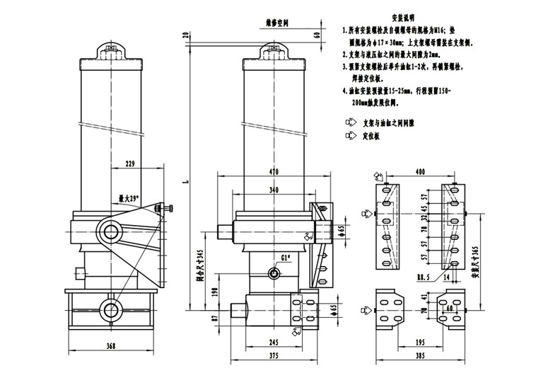
外形安裝尺寸: